Numer VIN auta – co to jest, jak sprawdzić i gdzie się znajduje?
Blog wpisy
Audi A4 B6 B7 – samoczynnie zwijająca się roleta bagażnika
Szukaj części
Wysyłamy
Bezpieczne zakupy

- Różne formy płatności
- Szyfrowane dane i transakcje
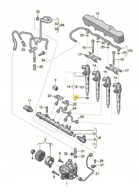
Uszczelka podkładka wtryskiwacza TDI VW Skoda Audi Seat oryginał
dodaj do przechowalni
Opis

PODKŁADKA WTRYSKIWACZA Volkswagen Audi Skoda Seat TDI
Nr katalogowy:
- 03P130519 - 7,015X2,0
