Numer VIN auta – co to jest, jak sprawdzić i gdzie się znajduje?
Blog wpisy
Audi A4 B6 B7 – samoczynnie zwijająca się roleta bagażnika
Szukaj części
Wysyłamy
Bezpieczne zakupy

- Różne formy płatności
- Szyfrowane dane i transakcje
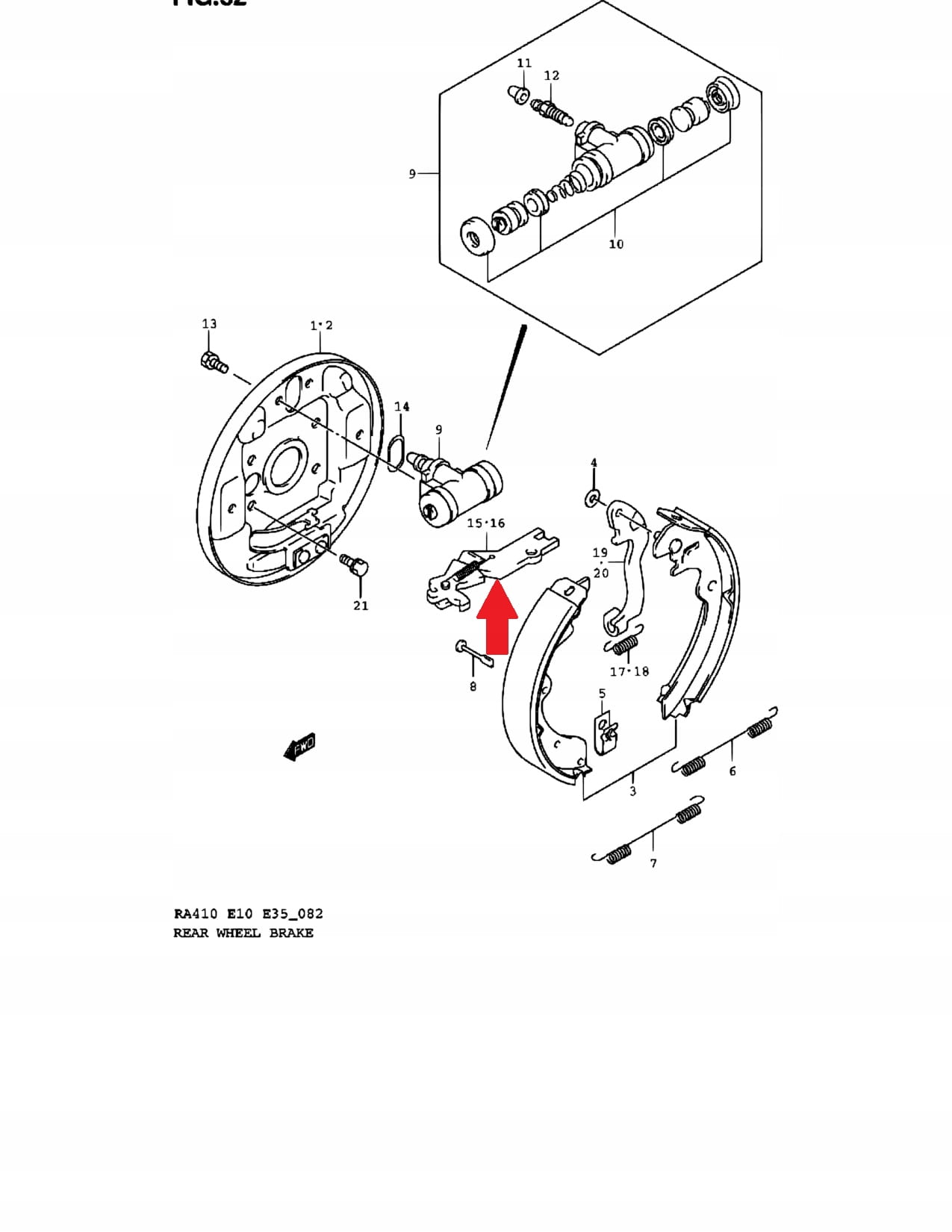
Lewy rozpieracz szczęk hamulcowych Suzuki Alto Ignis Wagon OE 53702-76G00
dodaj do przechowalni
Opis

Oryginalny rozpieracz szczęk hamulcowych Suzuki
Numer katalogowy:
- 53702-76G00
Producent: SUZUKI - 100% ORYGINAŁ
Strona zabudowy: tył lewa / strona kierowcy
Produkt nowy, oryginalny - OE SUZUKI - nie jest to zamiennik!
Zastosowanie:
- Suzuki Ignis 2003-2007
- Wagon R 1999-2005
- Suzuki Alto
- Suzuki Swift
